返回索引

HD HDLCarvLock 型四面体钳

CTHDL64 液压型四面体-英制

CTHDLM64 液压型四面体-公制

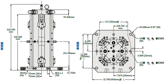
八工位液压型四面体钳,内置液压系统以便节约空间,装夹系统均使用"角固" 原理,主体钳身为高强度铸铁结构以便减少振动的影响。

功能和特点:

  • 八工位液压型。
  • 内置液压系统节约使用空间,解压由操作者释放,便于拆装。
  • 重复夹紧精度0.005mm,每个工位的夹紧力在31MPa液压时可以达到26.9kN。
  • 四面体的每个面都可以单独控制以便上下工件。
  • 每个工位的张开度都是101.6mm。
  • 每个面的最大冲程可达6.35mm,即每个工位3.175mm。
  • 钳口的选项有:硬钳口,可加工铝钳口,可加工铸铁钳口。参见第38-41页。
  • 底座规格有400mm,,500mm,630mm。
  • 终身保修。

HD和HDL的钳口和基础板选择请见第40至43页

返回索引     上一页 第39页 下一页