首页
柯特公司
下载中心
产品系列
产品资料
经销商入口
询价
联系我们
English
Go
夹具产品
快速定位产品
定制夹具
维修备件
虎钳附件
Contact Us
返回索引
100mm的型号:
150mm的型号:
CTHDLM443 公制
CTHDLM444 公制
CTHDLM445 公制
CTHDLM644 公制
CTHDLM645 公制
CTHDLM646 公制
HDL CarvLock®型四面体钳
该型四面体钳有八个工位,手动或液压操作,钳身为球铁。可用于中大型卧加 和立加上。
工件夹紧稳定并可减少刀具颤动的影响。
功能和特点:
高效,八个工位可装夹多个工件,提高产量。
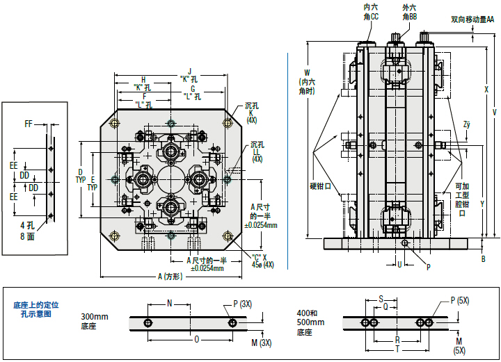
重复夹紧度为0.005mm,100mm四面体在81Nm扭矩时各个工位夹紧力都可达到26kN。150mm四面体在95Nm时则达到33kN。
前后动钳可调整以便夹紧大小不同的工件。“可调式预夹紧”可以减少装卸工件时手柄的旋转圈数。
球铁立柱钳身增加了强度、刚性和精度。
有多种钳口供选以适合加工不同工件,如硬钳口、可加工铝钳口、可加工球铁钳口,见第40页。
钳口可旋转180°使用。
可选用铝质基础板,见第42页。
立柱钳身清理碎屑方便。
终身保修。
较低夹紧力使用时,可选择无离合的设计。
型号说明参见第44页
返回索引
上一页
第34页
下一页
四面体钳及方箱
HDL CarvLock®型四面体钳
HD CarvLock®四面体钳
100mm的型号:
150mm的型号:
钳体型号: CTHDM64 标准型
钳体型号: CTHDHM64 液压型
液压型
CTHDHM64 参数表
CTHDL64 液压型四面体-英制
CTHDLM64 液压型四面体-公制
HD和HDL钳口
HDL钳的硬钳口(“J”)
HD和HDL钳及四面体的基础板
HD & HDL CarvLock®四面体钳口
HD/HDL型钳
ClusterLock ClusterTower®窄口小型四面体钳
ClusterLock ClusterTower®窄口小型四面体钳
基准方箱、T型基础和基础板
轻型方箱
基础板
T型基础
方箱