首页
柯特公司
下载中心
产品系列
产品资料
经销商入口
询价
联系我们
English
Go
夹具产品
快速定位产品
定制夹具
维修备件
虎钳附件
Contact Us
背对背成组钳
背对背成组钳的型号:D100, D810, HDLM6, 3600V
垫高块可用可不用,请洽我们
D100
D810
HDL(M)4
HDL(M)6
3400V
3600V
3800V
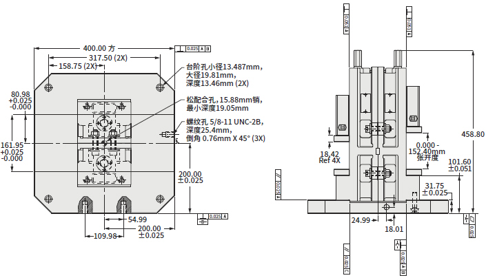
36V2T400 即 3600V钳背对背安装在400mm基础板上(无加高垫块)
上一页
第80页
下一页
特制夹具系统
客户特制夹具系统
立式加工中心使用范例
卧式加工中心使用范例
背对背成组钳
KURT旋转台夹具系统
气动自动化钳-适宜于自动化生产